一、进口压差旁通阀产品概述:
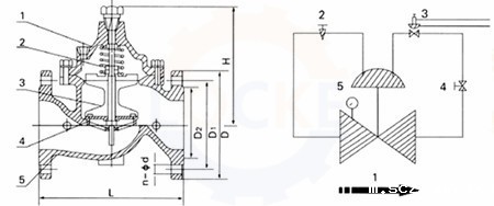
德国LOCKE洛克--进口压差旁通阀由主阀、压差控制导阀、针阀、球阀和压力表组成水力控制接管系统。通过导阀控制室,对压力变化信号进行比较,输出主阀开度信号,控制主阀开度,从而控制主阀的进口压差在设定值上。利用水作用力和调节压差平衡导阀,自动控制阀门的开度,通常用在中央空调导流、供水、回水之间平衡压差的阀门,使管道中介质保持恒定的压差值。该阀门可提高系统的利用率,保持压差的准确恒定值,并可较大限度地降低系统的噪音,以及过大压差对设备造成的损坏。

二、进口压差旁通阀技术参数:
公称压力(Mpa) | 壳体试验压力(MPa) | 密封试验压力(MPa) | 适用介质 | 介质温度(℃) |
1.0 | 1.5 | 1.1 | 水 | 0-80 |
1.6 | 2.4 | 1.76 | ||
2.5 | 3.75 | 2.75 |
三、进口压差旁通阀工作原理:
当主阀进出口间压差变化时,接管A与接管B间压差发生变化,此压差通过接管作用于导阀膜片两侧,改变导阀的开度。压差大时导阀开度大,控制室通过C管的下泄水量增大,主阀控制室压压力下降,主阀开度增大,主阀进出口间压差变小。反之,若主阀进出口间压差变小,则导阀开度变小,主阀控制室压力上升,推动主阀开度减小而使主阀压差增大。这种负反馈作用使主阀进出口间压差稳定在设定值上。设定针阀开度和导阀弹簧压力可设定主阀进出口间压差。
四、进口压差旁通阀结构图:

五、进口压差旁通阀零件材料:



客服1