一、进口电动控制阀产品概述:
德国LOCKE洛克--进口电动控制阀由主阀、电磁导阀、针阀、球阀、微形过滤器和压力表组成水力控制接管系统。通过电磁导阀可以实现对阀门开启和关闭的遥控。加装附加装置后,可控制开启和关闭的速度。本产品利用导阀控制阀门的开启和关闭,节省能源。可代替其它阀门大型电动装置。进口电动控制阀产品广泛用于高层建筑、生活区等供水管网系统及城市供水工程。

二、进口电动控制阀技术参数:
公称压力(Mpa) | 壳体试验压力(MPa) | 密封试验压力(MPa) | 适用介质 | 介质温度(℃) |
1.0 | 1.5 | 1.1 | 水 | 0-80 |
1.6 | 2.4 | 1.76 | ||
2.5 | 3.75 | 2.75 |
三、进口电动控制阀工作原理:
当阀门从进口端给水时,水流流过针阀进入主阀控制室,当电磁导阀打开时,控制室内的水经电磁导阀、球阀流出。球阀开度大于针阀开度,主阀控制室内压力很低,主阀处于全开状态。
当电磁导阀关闭时,主阀控制室的水不能流出,控制室升压,推动膜片关闭主阀。
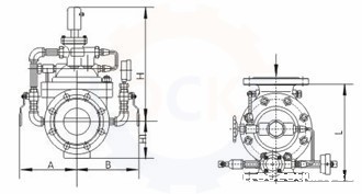
四、进口电动控制阀结构图:

五、进口电动控制阀零件材料:
零件名称 | 零件材料 |
阀体 阀盖 | WCB |
阀座 阀盘 | 铜合金 |
密封圈 O型圈 | 橡胶 |
阀杆 | 2Cr13 |
弹簧 | 50CrVA |
针型阀 | 铜合金 |
球阀 | 铜合金 |
浮球阀 | 铜合金 |
微型过滤器 | 不锈钢 |


客服1